THG-100.02 (1.5kW) D8/14 90,000rpm
Product Information
| Type | THG-100.02 (230V) |
THG-100.04 (380V) |
|
|---|---|---|---|
| Spindle Ø | 100mm | ||
| Maximum Speed (Oil-Air) | 90,000rpm | ||
| Bore diameter of front bearings | 15mm | ||
| Rigidity | Axial (N/µm) |
20N/µm | |
| Radial (N/µm) |
30N/µm | ||
| Frequency Max. (Hz) | 1,500Hz | ||
| at speed | 87,600rpm | ||
| S1 kW | 1.5kW | ||
| S1 Current (A) | 6.8A | 4.0A | |
| S6-40% kW | 1.95kW | ||
| S6-40% Current (A) | 8.8A | 5.2A | |
| kW (Peak Power) | 4.1kW | ||
| S1 Torque (Nm) | 0.16Nm | ||
| S6-40% Torque (Nm) | 0.21Nm | ||
| Tool Interface | D8/14 | ||
| Spindle Cooling unit | Cooling capacity:1,000Kcal/hr (at25℃) Water cooling /Oil cooling |
||
| Spindle Weight | 12kg | ||
| Integral Encoder For Closed-Loop Control |
N/A | ||
| Coolant Through Shaft (CTS) | Option | ||
| Grease Lubrication. | Also available with grease lubrication. This lubrication leads to speed reduction. |
||
| Flange Type | N/A | ||
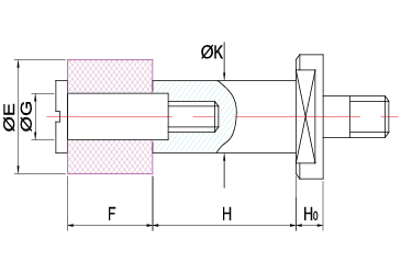
| Interface | K [mm] |
H [mm] |
Grinding wheel E x F [mm] |
G[mm] | Grinding wheel fixation | Ho[mm] |
|---|---|---|---|---|---|---|
| D8/14 | 5 | 20 | 8 X 10 | 3 | Cemented | 6 |
| 6 | 25 | 10 X 10 | 3 | Quill with fitting bolt / For grinding wheels on threaded pin |
6 | |
| 8 | 32 | 13 X 13 | 4 | 6 |
Cemented

Quill with fitting bolt

Grinding wheels on threaded pin
| Maximum Speed | |||||
|---|---|---|---|---|---|
| Tool Interface D8/14 | K | H | |||
| Spindle Type | <20mm | 25mm | 32mm | N/A | |
| THG-100.02/THG-100.04 | 5mm | 90,000rpm | 90,000rpm | N/A | N/A |
| 6mm | 90,000rpm | 90,000rpm | N/A | N/A | |
| 8mm | 89,000rpm | 84,000rpm | 73,000rpm | N/A | |
Compare Others Specifications
| Type | THG-80.01(400V) THG-80.02(220V) |
THGZ-80.03 (230V) |
THG-100.01(380V) THG-100.03(230V) |
THG-100.02(230V) THG-100.04(380V) |
THG-120.02(400V) THG-120.15(230V) |
|
|---|---|---|---|---|---|---|
| Spindle Ø | 80mm | 80mm | 100mm | 100mm | 120mm | |
| Maximum Speed | 120,000rpm | 150,000rpm | 60,000rpm | 90,000rpm | 36,000rpm | |
| Bore diameter of front bearings | 12mm | 12mm | 25mm | 15mm | 40mm | |
| Rigidity | Axial (N/µm) |
10N/µm | 10N/µm | 55N/µm | 20N/µm | 90N/µm |
| Radial (N/µm) |
20N/µm | 20N/µm | 55N/µm | 30N/µm | 120N/µm | |
| Frequency Max. (Hz) | 2,000Hz | 2,500Hz | 2,000Hz | 1,500Hz | 1,200Hz | |
| at speed | 117,500rpm | 147,000rpm | 35,500rpm | 87,600rpm | 9,700rpm | |
| S1 kW | 1kW | 0.64kW | 6.4kW | 1.5kW | 4.6kW | |
| S6-40% kW | 1.3kW | 0.75kW | 8.3kW | 1.95kW | 6kW | |
| kW (Peak Power) | 2.65kW | 1.5kW | 15kW | 4.1kW | 14kW | |
| S1 Torque (Nm) | 0.08Nm | 0.04Nm | 1.7Nm | 0.16Nm | 4.5Nm | |
| S6-40% Torque (Nm) | 0.1Nm | 0.05Nm | 2.2Nm | 0.21Nm | 5.9Nm | |
| Tool Interface | D6/12 | Collet 3~3.175mm |
D14/23 | D8/14 | D22/38 HSK-C32 |
|
| Spindle Cooling | Water cooling /Oil cooling | |||||
| Spindle Weight | 4.5kg | 4.1kg | 15kg | 12kg | 25kg | |
| Integral Encoder For Closed-Loop Control |
N/A | N/A | N/A | N/A | Option | |
| Coolant Through Shaft (CTS) | N/A | N/A | Option | Option | Option | |
| Grease Lubrication. | Also available with grease lubrication. This lubrication leads to speed reduction. | |||||
| Flange Type | N/A | N/A | Option | N/A | Option | |
Related Products